Máquina de moldagem por injeção de alta precisão
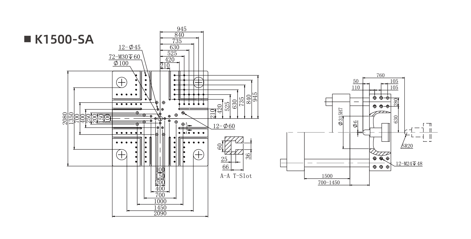
K1500-SA
PREV PRODUCT:K1850-SA
NEXT PRODUCT:K1300-SA
Máquina de moldagem por injeção de alta precisão
| DESCRIÇÃO | UNIDADE | K1500-SA | ||||
| CeuASSIFICAÇÃO DE TAMANHO INTERNACIONAL | 18200 | |||||
| A | B | C | D | |||
| UNIDADE DE INJEÇÃO | Diâmetro do parafuso | milímetros | 130 | 140 | 150 | 160 |
| Proporção L:D do parafuso | 23.7 | 22 | 20.5 | 19.3 | ||
| Volume de tiro | cm3 | 9291 | 10776 | 12370 | 14074 | |
| Peso do tiro (PS) | g | 8455 | 9806 | 11257 | 12807 | |
| onças | 298.2 | 345.9 | 397.1 | 451.7 | ||
| Pressão de injeção | Bar | 1959 | 1689 | 1471 | 1293 | |
| Taxa de injeção | cm3/s | 1341 | 1555 | 1785 | 2031 | |
| Capacidade de plastificação | g/s | 156 | 195 | 229 | 246 | |
| Velocidade máxima do parafuso | rpm | 113 | ||||
| UNIDADE DE APERTO | Força de aperto | kN | 15000 | |||
| Espaço entre barras de ligação | milímetros | 1450x1350 | ||||
| Tamanho das placas | milímetros | 2090x2080 | ||||
| Curso de abertura | milímetros | 1500 | ||||
| Altura mín.mdd | milímetros | 700 | ||||
| Altura máxima do molde | milímetros | 1450 | ||||
| Distância entre placas (luz do dia) | milímetros | 2950 | ||||
| Curso ejetor | milímetros | 350 | ||||
| Força ejetora | kN | 320 | ||||
| Número do ejetor | 25 | |||||
| UNIDADE DE ENERGIA | Pressão do sistema | Bar | 175 | |||
| Motor da bomba | kW | 42 54 54 | ||||
| Capacidade de aquecimento | kW | 91 | ||||
| EM GERAL | Capacidade do tanque de óleo | L | 1300 | |||
| Dimensão da máquina (CxLxA) | m*m*m | 13,8x3,1x4,5 | ||||
| Peso da máquina | t | 87 | ||||
| Capacidade da tremonha | kg | 400 | ||||
| Não | Configuração de componentes | Marca | Lugar de origem | Escopo de configuração |
| 1 | controlador | Taiwan Techmation (AK628) fresagem de alumínio de 8 polegadas | Taiwan | K110-230 |
| 2 | controlador | Taiwan Techmation (TECH1) fresagem de alumínio de 8 polegadas | Taiwan | K270-460 |
| 3 | controlador | Taiwan Techmation (TECH2) fresagem de alumínio de 12 polegadas | Taiwan | K530-800 |
| 4 | Bomba de óleo servo | EUA DE ALTA TECNOLOGIA | EUA | Gama completa |
| 5 | servo motor | ESTÁGIO | Itália | Gama completa |
| 6 | servoacionamento | ESTÁGIO | Itália | Gama completa |
| 7 | Kit servo | Alemanha Rexroth | Alemanha | Opcional |
| 8 | Válvula de reversão | Japão YUKEN | Taiwan | Gama completa |
| 9 | Válvula de reversão | EUA VICKERS | EUA | Opcional |
| 10 | Motor pré-plástico | DANDUN | China | Gama completa |
| 11 | Motor de ajuste de molde | DANDUN | China | Gama completa |
| 12 | Elemento de vedação | UKKHALLITE | Grã-Bretanha | Gama completa |
| 13 | Sistema de lubrificação | HERG | China | Gama completa |
| 14 | Disjuntor | SCHNEIDER ELÉTRICA | França | Gama completa |
| 15 | interruptor de ar | SCHNEIDER ELÉTRICA | França | Gama completa |
| 16 | Régua eletrônica | Bonita | EUA | Gama completa |
| 17 | Régua eletrônica | NOVOtek | Alemanha | Opcional |
| 18 | Relé de estado sólido | FOTEK | Taiwan | Gama completa |
| 19 | Interruptor de viagem | SCHNEIDER ELÉTRICA | França | Gama completa |
| 20 | Sensor de proximidade | FOTEK | Taiwan | Gama completa |
| 21 | Barril de parafuso | TONGDA | China | Gama completa |
Fábrica de alto padrão
Fabricação de máquinas KSM Ningbo Co., Ltd. é uma cooperativa com tecnologias italianas especializadas em plástico de alta qualidade na produção de máquinas de moldagem de plástico de alta qualidade. Nossa empresa está localizada no Parque Industrial Ningbo Beilun Xing Ao. Temos vários funcionários de P&D e cooperamos com um grupo de empresas de alta tecnologia. Como profissional China K1500-SA-Máquina de moldagem por injeção de alta precisão fornecedores e OEM/ODM K1500-SA-Máquina de moldagem por injeção de alta precisão empresa, Produz principalmente máquinas injetoras de alta precisão com faixa de força de fixação de 110T a 1850T. Os produtos possuem estrutura de alta rigidez e estão equipados com elementos hidráulicos e elétricos importados, parafuso utilizado com cabeça misturadora para ter excelente desempenho de plastificação e ser adequado para diversas moldagens por injeção de plástico de engenharia e pedidos especiais dos usuários estão disponíveis. Desde a fundação da sua corporação, sempre prestou atenção à reputação da empresa, realiza gestão científica e com projetos racionais, aposta em serviços de pré-venda, venda e pós-venda de qualidade para conquistar a confiança e aprovação de um grande número de usuários. Respeitamos o lema "honesto, continue melhorando, coloque ênfase na qualidade, nunca relaxe no esforço". Sinceramente, receba amigos de todos os lugares para orientação. A empresa possui um centro de pesquisa e desenvolvimento com forte força de desenvolvimento. Ao mesmo tempo, coopera com universidades e faculdades nacionais para desenvolver e pesquisar equipamentos de injeção e produção de plástico e máquinas de moldagem por injeção. A empresa possui equipamentos avançados de teste de mangueiras e equipamentos experimentais. Nos últimos anos, o centro de P&D alcançou muitas conquistas em máquinas de moldagem por injeção e equipamentos de plástico, processo de vulcanização de borracha e desenvolvimento de formulações. Convide sinceramente os clientes nacionais e estrangeiros para visitar nossa fábrica e esperamos que sua empresa de longo prazo crie um lindo amanhã para você!
Porque escolher-nos
Contamos com laboratório de testes próprio e equipamentos de inspeção avançados e completos, que podem garantir a qualidade dos produtos produzidos por nossos equipamentos.
Nossa capacidade de produção anual é de mais de 500 conjuntos de máquinas de moldagem por injeção.
Nós nos concentramos no desenvolvimento de produtos de alta qualidade para os mercados de ponta. Nossos produtos estão em conformidade com os padrões internacionais e são exportados principalmente para Europa, América, Japão e outros destinos ao redor do mundo.
Estamos a apenas 15 quilômetros do Porto de Ningbo, é muito conveniente e eficiente enviar mercadorias para qualquer outro país.
Garanta alta qualidade com nossa experiência
A qualidade autêntica e confiável se destaca naturalmente e não teme comparações.
Fornecer a você as últimas notícias empresariais e do setor
1. Conceito básico de moldes multicavidades Moldes com múltiplas cavidades referem-se à config...
1. Desempenho de eficiência energética de máquinas injetoras de PET Máquinas injetoras PET ...
Como equipamento chave na produção industrial moderna, a automação de Máquinas injetoras PET ...
No processo de moldagem por injeção, o sistema de controle de temperatura do molde desempenha um ...
Máquinas injetoras de plástico desempenham um papel vital na indústria moderna. Eles podem ...
Na fabricação moderna, os moldes são um componente indispensável e fundamental do processo de mol...